快猫成人app下载污,成人快猫官网,快猫APP成人下载,成人快猫短视频污网址

水环热泵技术实现楼宇自控的节能要求!

栏目:行业动态 作者:快猫成人app下载污智能化 发布时间:2020-06-20 关键词: 楼宇自控
分享到:
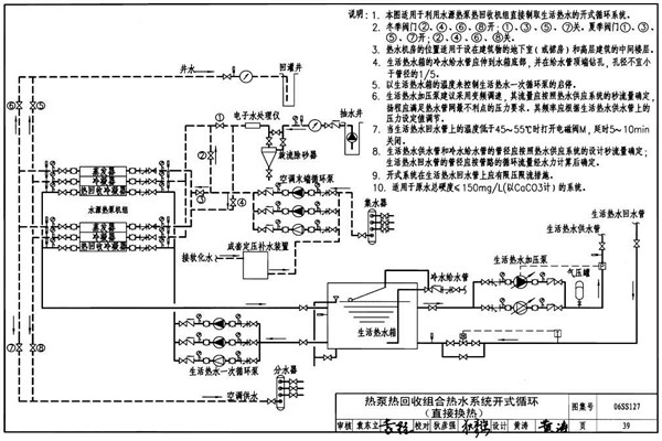
我国热泵技术发展较为成熟。楼宇相关建设单位进行楼宇自控施工过程中多使用这项技术。该项技术对废弃物进行二次利用,成本较少,不仅可以保护生态环境还可以发挥废弃物的最大价值。在智能楼宇内设置水环热泵型空调系统可以在帮助人们节省燃料的同时解决楼宇自控过程中的供热问题,为保护环境做出贡献。

水环热泵以空气源热泵技术为基础,对自然界中废弃的低温废热加以利用。热泵技术是现今社会上出现的较为环保的节能技术之一。该项技术的操作简单。

水环热泵技术实现楼宇自控的节能要求!

我国热泵技术发展较为成熟。楼宇相关建设单位进行楼宇自控施工过程中多使用这项技术。该项技术对废弃物进行二次利用,成本较少,不仅可以保护生态环境还可以发挥废弃物的最大价值。在智能楼宇内设置水环热泵型空调系统可以在帮助人们节省燃料的同时解决楼宇自控过程中的供热问题,为保护环境做出贡献。

我国的人均能源较少,能源储备量不断呈现减少的趋势。在房屋中设置水环热泵型空调系统可以缓解我国能源压力。该项技术是能够和地热技术相媲美的另一个楼宇自控节能技术。


网站地图